BORANG PEMERIKSAAN VISUAL (BUTT FUSION)
Projek :
Nama :
No sijil :
Nama syarikat :
KRITERIA
KEADAAN TAPAK
 
 
Kawasan tapak berada dalam keadaan yang bersih dan kering.
 
 
MESIN DAN OPERATOR MESIN
 
 
Menggunakan mesin CNC Butt Fusion.
- Heating plate - non stick PTFE coating (In storage case)
- Pipe planer - with safety lock and microswitch (In storage case)
- Clamps (movable 3rd clamps)
- CNC Hydraulic unit
 
 
Mesin CNC Butt Fusion mempunyai data logger.
 
 
Operator mesin mahir, telah dilatih dan mempunyai sijil yang disahkan oleh
jurulatih yang diluluskan oleh Ranhill SAJ.
 
 
PEMERIKSAAN SELEPAS PROSES PENYAMBUNGAN BUTT FUSION
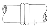
(i)
 
Lurah-V 'A' yang terbentuk di antara beads mestilah tidak lebih daripada kedalaman daripada beads
di atas permukaan paip. (Rujuk Rajah 1).
Outside Diameter
(mm)
Wall Thickness
(mm)
SDR Bead Width (mm)
110 10.0 11 8-13
125 11.4 11 9-14
160 14.6 11 10-17
180 16.4 11 11-18
200 18.2 11 12-19
225 20.5 11 12-21
250 22.7 11 13-22
280 25.4 11 14-23
315 28.6 11 15-24
355 32.2 11 16-26
400 36.3 11 17-28
450 40.9 11 18-30
500 45.4 11 20-32
560 50.8 11 22-34
630 57.2 11 24-37
 
Jika nilai bead 'B' yang terhasil tidak berada di dalam nilai bead yang disenaraikan di dalam jadual di
atas, penyambungan butt fusion tersebut mestilah ditolak.
 
Selain daripada saiz bead, terdapat juga beberapa kriteria bead lain yang memerlukan pemeriksaan
secara visual, tetapi tidak semestinya harus diukur jika pemeriksaan secara visual tersebut
menunjukkan sambungan tersebut dapat diterima.
 
Jika saiz bead yang terhasil adalah hampir sama dan lurah V 'A' tidak kelihatan dibawah permukaan
paip dan sambungan tersebut adalah seragam dan selari, maka tindakan pemeriksaan yang selanjutnya
tidak diperlukan.
 
Page 1 of 5
Form No: JK/PT-04
Rev Date: 23/06/2022
 
Lurah V 'A' tersebut mestilah tidak melebihi kedalaman permukaan paip dan beads yang terhasil
emestilah mempunyai saiz yang sama dan seragam dan tidak mempunyai sebarang kerosakan pada
kedua-dua belah paip yang disambung.
 
Jika sambungan paip tidak terhasil tidak seperti yang dinyatakan dalam kriteria (i), maka pengukuran
dan pengiraan pada sambungan tersebut mestilah dilakukan berdasarkan kepada kriteria (ii), (iii) dan
(iv).
Nama Jalan:
 
 
Joint No.=
 
 
Joint No.=
 
 
Joint No.=
 
 
Joint No.=
 
 
Joint No.=
 
 
Joint No.=
 
 
Joint No.=
 
 
Joint No.=
 
 
Joint No.=
 
 
Joint No.=
 
 
Joint No.=
 
 
Joint No.=
 
 
Joint No.=
 
 
Joint No.=
 
 
Joint No.=
 
 
Joint No.=
 
 
Joint No.=
 
 
Joint No.=
 
 
Joint No.=
 
 
Joint No.=
 
 
(ii)
 
Ketidakselarian 'v' sambungan paip tidak melebihi 10% daripada tebal dinding.
Nama Jalan:
 
%
Joint No.=
 
 
 
Joint No.=
 
 
 
Joint No.=
 
 
 
Joint No.=
 
 
 
Joint No.=
 
 
 
Joint No.=
 
 
 
Joint No.=
 
 
 
Joint No.=
 
 
 
Joint No.=
 
 
 
Joint No.=
 
 
 
Joint No.=
 
 
 
Joint No.=
 
 
 
Joint No.=
 
 
 
Joint No.=
 
 
 
Joint No.=
 
 
 
Joint No.=
 
 
 
Joint No.=
 
 
 
Joint No.=
 
 
 
Joint No.=
 
 
 
Joint No.=
 
 
 
Page 2 of 5
Form No: JK/PT-04
Rev Date: 23/06/2022
(iii)
Perbezaan lebar bead pada paip mestilah berbeza ±20% daripada lebar bead purata.
Bpurata
=
Bmin + Bmax
2
Bmin ≥ 0.8 x Bpurata
Bmax ≤ 1.2 x Bpurata
Nama Jalan:
 
Bmin
Bmax
Bpurata
%
Joint No.=
 
 
 
 
 
 
Joint No.=
 
 
 
 
 
 
Joint No.=
 
 
 
 
 
 
Joint No.=
 
 
 
 
 
 
Joint No.=
 
 
 
 
 
 
Joint No.=
 
 
 
 
 
 
Joint No.=
 
 
 
 
 
 
Joint No.=
 
 
 
 
 
 
Joint No.=
 
 
 
 
 
 
Joint No.=
 
 
 
 
 
 
Joint No.=
 
 
 
 
 
 
Joint No.=
 
 
 
 
 
 
Joint No.=
 
 
 
 
 
 
Joint No.=
 
 
 
 
 
 
Joint No.=
 
 
 
 
 
 
Joint No.=
 
 
 
 
 
 
Joint No.=
 
 
 
 
 
 
Joint No.=
 
 
 
 
 
 
Joint No.=
 
 
 
 
 
 
Joint No.=
 
 
 
 
 
 
(iv)
Beza lebar kedua-dua beads yang terhasil mestilah tidak melebihi 10%.
S = lebar bead tunggal
∆S = Perbezaan lebar antara dua bead
B = Lebar keseluruhan bead
X
=
∆S
B
x 100
∆S = Smax - Smin
Perbezaan antara dua bead mestilah tidak melebihi X% daripada
lebar keseluruhan bead.
X ≤ 10% bagi penyambungan paip dengan paip dimana ∆S ≤ 0.1x B
X ≤ 20% bagi penyambungan paip dengan fittings dimana ∆S ≤ 0.2x B
X ≤ 20% bagi penyambungan fittings dengan fittings dimana ∆S ≤ 0.2x B
 
Smin
Smax
∆S
B
%
Joint No.=
 
 
 
 
 
 
 
Joint No.=
 
 
 
 
 
 
 
Joint No.=
 
 
 
 
 
 
 
Joint No.=
 
 
 
 
 
 
 
Joint No.=
 
 
 
 
 
 
 
Page 3 of 5
Form No: JK/PT-04
Rev Date: 23/06/2022
Joint No.=
 
 
 
 
 
 
 
Joint No.=
 
 
 
 
 
 
 
Joint No.=
 
 
 
 
 
 
 
Joint No.=
 
 
 
 
 
 
 
Joint No.=
 
 
 
 
 
 
 
Joint No.=
 
 
 
 
 
 
 
Joint No.=
 
 
 
 
 
 
 
Joint No.=
 
 
 
 
 
 
 
Joint No.=
 
 
 
 
 
 
 
Joint No.=
 
 
 
 
 
 
 
Joint No.=
 
 
 
 
 
 
 
Joint No.=
 
 
 
 
 
 
 
Joint No.=
 
 
 
 
 
 
 
Joint No.=
 
 
 
 
 
 
 
Joint No.=
 
 
 
 
 
 
 
(v)
Tiada calar yang terdapat pada kedua-dua bahagian paip yang disambung.
Nama Jalan:
 
 
Joint No.=
 
 
Joint No.=
 
 
Joint No.=
 
 
Joint No.=
 
 
Joint No.=
 
 
Joint No.=
 
 
Joint No.=
 
 
Joint No.=
 
 
Joint No.=
 
 
Joint No.=
 
 
Joint No.=
 
 
Joint No.=
 
 
Joint No.=
 
 
Joint No.=
 
 
Joint No.=
 
 
Joint No.=
 
 
Joint No.=
 
 
Joint No.=
 
 
Joint No.=
 
 
Joint No.=
 
 
(vi)
Beads yang terbentuk adalah rata, licin dan seragam.
Nama Jalan:
 
 
Joint No.=
 
 
Joint No.=
 
 
Joint No.=
 
 
Joint No.=
 
 
Joint No.=
 
 
Joint No.=
 
 
Joint No.=
 
 
Joint No.=
 
 
Joint No.=
 
 
Joint No.=
 
 
Joint No.=
 
 
Joint No.=
 
 
Joint No.=
 
 
Joint No.=
 
 
Joint No.=
 
 
Joint No.=
 
 
Joint No.=
 
 
Joint No.=
 
 
Joint No.=
 
 
Joint No.=
 
 
ADAKAH PENYAMBUNGAN BUTT FUSION INI DITERIMA ?
(Jika TIDAK, sila nyatakan ulasan di ruangan yang disediakan)
 
 
Joint No.=
 
 
Joint No.=
 
 
Joint No.=
 
 
Joint No.=
 
 
Joint No.=
 
 
Joint No.=
 
 
Joint No.=
 
 
Joint No.=
 
 
Joint No.=
 
 
Joint No.=
 
 
Joint No.=
 
 
Joint No.=
 
 
Joint No.=
 
 
Joint No.=
 
 
Joint No.=
 
 
Joint No.=
 
 
Joint No.=
 
 
Joint No.=
 
 
Joint No.=
 
 
Joint No.=
 
 
Page 4 of 5
Form No: JK/PT-04
Rev Date: 23/06/2022
Ulasan:
 
 
 
Dikendalikan oleh:
Diperiksa dan disahkan oleh:
Tandatangan:
Tandatangan:
Nama Syarikat:
Nama Kontrak Inspektor:
No. Anggota:
No. Anggota:
Tarikh:
Tarikh:
**Dokumen yang perlu diserahkan kepada Contract Inspector: Gambar penyambungan dan laporan daripada Data Logger.
Page 5 of 5
Form No: JK/PT-04
Rev Date: 23/06/2022